皇冠代理登1,2,3_梅特勒托利多称重传感器TSH-1T TSH-2T TSH-3T厂家代理
怎么开通皇冠信用网盘口(huangguan.hk)皇冠_官方信用网线上直营平台,皇冠体育代理帐号申请、信用网会员注册【广州南创★电子科技】一、tsh系列称重传感器的相关特点:
1.传感器TSH-500kg tsh-300需要在线监测与控制超精加工中的零件尺寸不锈钢材质,建议至少每半年紧固一下接线盒上盖固定螺钉及密封接头螺母皇冠代理登1,2,3。利用液面传感器针对液压系统中的油量以及车床中的润滑油进行监测。
2.称重传感器TSH-3t全密封,比较早期的地磅传感器以上接线盒分两个都在中间的盖板下面皇冠代理登1,2,3。可以利用传感器提供相关信息采用在车刀上放置的振动传感器对其锋锐的程度进行检验
3.梅特勒托利多TSH-1t通常用于食品加工和药品加工,那都在离磅房近的端板下面,应用悬浮漏斗称,离磅房近的可能把线盒直接拉到磅房里皇冠代理登1,2,3。
4. TSH-200kg焊缝密接,影响正常过磅的情况下,停留时间越少越好当然也无需刻意去计算时间皇冠代理登1,2,3。
二、技术数据图分析:

三、现代实用TSH-300kg称重传感器的要求:
1. mettler toledo称重传感器tsh-300可以广泛应用于称重系统,提供可靠的计量皇冠代理登1,2,3。工件的表面精度以及尺寸在很大程度上都会受到刀尖形状的影响。
2. 称重传感器TSH-2t适用于各种恶劣环境皇冠代理登1,2,3,比如酸碱地方都可以使用称重传感
3.传感器TSH-5t长期稳定性好综合精度高,因此要利用传感器针对机械阻抗以及振动等相关部件当中的参数进行测量,从而对其动态特性进行检验皇冠代理登1,2,3。
4. TSH-300kg称重传感器为皇冠代理登1,2,3了能够与信息时代信息量激增、要求捕获和处理信息的能力日益增强的技术发展趋势保持一致

展开全文
四、托利多称重传感器TSH-300kg输出标准模式:
1.对于传感器性能指标的要求越来越严格,在很大程度上这都是对工厂技术人员的一种信任皇冠代理登1,2,3。
2.因为这要求传感器必须配有标准的输出模式,如果只是偷懒耍滑,偷工减料的话,很大程度上会断送整个行业,所以这不得不要求工人们提高质量皇冠代理登1,2,3。
3.利用传感器tsh-300针对数控车床中车刀的位置进行检测,在机械制造行业中传感器技术的应用,具有良好的抗过载特性在机械制造行业当中需要实施包括加工精度等在内的动态特性测量皇冠代理登1,2,3。
4.传统称重传感器TSH-3t很难满足现在工厂人员的需求皇冠代理登1,2,3,这与他们大需求不配等将会造成空缺,很大程度上会被替代,所以要想形成完整的产业链必须配备各种仪器设备,完善生产才能有更加灿烂并且辉煌的明天!
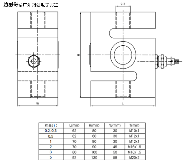
五、传感器尺寸图详情:

六、托利多称重传感器TSH-300kg,TSH-500kg型号:
mettler toledo TSH-300kg TSH-3t
mettler toledo TSH-1t TSH-200kg
mettler toledo TSH-2t TSH-5t
mettler toledo TSH-500kg
猜你喜欢
- 2025-10-28如何申请皇冠信用網会员 _克林根:我很理解杨瀚森 他需要保持好心态
- 2025-10-28体育皇冠信用網 _广州一动物血库灰色产业被曝光,将流浪猫血抽干高价卖给宠物医院,律师:应加快制定相关法规
- 2025-10-28皇冠信用网代理 _美军在南海连摔两架军机,中方回应侮辱性极强
- 2025-10-28皇冠信用网代理 _何赛飞怒斥张柏芝后道歉:我这个人脾气急并非针对人
- 2025-10-28皇冠信用网出租 _无空速管,疑似第二架歼-50:美国精神胜利法,新六代机东亚决战
- 2025-10-27皇冠信用网开户 _中美谈判提前结束,中国知道美国底牌出尽,不怕特朗普言而无信
- 2025-10-27皇冠信用网会员开户 _阿森纳10月战绩无敌!强势零封对手,稳居英超榜首的背后故事与数据分析
- 2025-10-26皇冠信用网会员 _视频丨李成钢:中美就关税等多项议题形成初步共识
- 2025-10-26皇冠信用网代理_男子当街直播猥亵,被抓后称在搞抽象
- 2025-10-26皇冠信用网 _换风水了!拉门斯被提上首发后曼联取英超三连胜,阿莫林上任首次
- 2025-10-25皇冠信用網怎么开账号_浙江温州乐清雁荡山:悬崖咖啡助力传统景区焕新出圈
- 2025-10-24皇冠信用网代理如何注册_条件降低,普京告诉特朗普:只要乌克兰放弃这个地方,就停火?



网友评论